自控及仪表
1)注醇装置控制系统设置在现场,防爆箱防爆等级ExdIIBT4,防护等级不低于IP65。
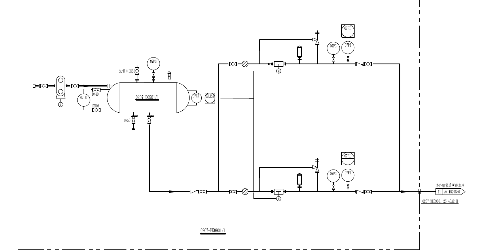
2)橇上所有的就地和远传检测仪表由供货商提供,所有仪表安装位置应便于检修。压力检测仪表采用双阀组设置方式。
3)所有仪表为国际标准SI单位。
4)所有检测接口保证无泄漏,防爆等级应适用于定义的危险区域和不低于IP65的防护等级。
5)设置现场操作显示盘,可通过操作显示盘对泵-1、泵-2进行人工开、关操作,并显示泵的实际运行状态。
6)注醇装置应具有药罐就地和远程液位指示。
7)注醇装置应具备超低液位自动停泵和超低液位停泵报警功能。
8)注醇装置其它保护功能由供货商自设,并采取独立控制措施。
9)注醇装置控制柜与注醇装置接线柜之间的供电控制电缆由用户配备,但供应商应
提供电缆的详细技术要求。
10)所有橇内现场远传仪表侧,应配套安装浪涌保护器。
11)仪表电缆与现场仪表相连时穿防爆电缆夹紧密封接头,防爆电缆夹紧密封接头与保护钢管之间穿防爆挠性连接管,仪表信号电缆与电源电缆应分开穿管,信号电缆采用屏蔽电缆。

|