测试条件
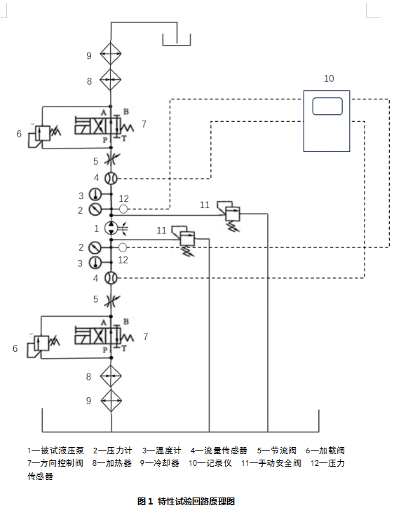
1)被试液压泵按图1的试验回路原理图进行空载排量测试,试验回路原理图中的图形符号符合GB/T 786.1的规定。
2)被试液压泵为双向泵,可选择任一进出油方向进行测试。
3)液压泵电机转速无法被测,其波动范围默认为电机控制器的控制精度。
4)测试时进油温度控制在40℃±1℃,被试液压泵的最高工作压力18.5MPa。
测试步步骤
1) 确定被试液压泵的进、出油方向后,将进油侧的节流阀全部打开,方向控制阀切换到P口和A口相通的位置。出油侧的节流阀全部打开,方向控制阀切换到P口和A口相通的位置。
2)起动电机,电机恒转速3000rpm,同时起动进油侧加热器将进油加热至40℃±1℃。当系统各参量满足表2规定保持稳定时,按7.1.3的要求记录各测量值。
3) 调节液压泵出油侧节流阀开度,使液压泵出油压力分别为2±0.1MPa、4±0.2MPa、6±0.3MPa、8±0.4MPa、10±0.5MPa、12±0.5MPa、14±0.5MPa、16±0.5MPa、18±0.5MPa。每个出油压力下,待系统稳定后按7.1.3的要求记录各测量值。

|